功能:
ALP系列低压保护器集保护、测量、控制、总线通讯为一体,同时提供了远程自动控制、现场直接控制、面板指示、信号报警、操作记录、跳闸报警记录及开关量记录等功能。
应用范围:
适用于煤矿、石化、冶炼、电力、船舶、以及民用建筑等领域。
订货范例:
具体型号:ALP220-5/L
技术要求:输入电压AC 220V;工作频率50Hz;电流变比200A/5A;漏电保护KB2模块;准确级0.5。
通讯协议:RS485接口 Modbus/RTU协议
辅助电源:AC/DC 220V
低压线路保护器
低压PT保护器
注:“■”为标配功能,“□”为选配功能。
● ALP200低压线路保护器
● ALP220低压线路保护器
● ALP320低压线路保护器
主体控制模块
显示模块
● 互感器
1A、5A专用电流互感器
注:一次电流从P1面进,P2面(灌胶面)出;二次引线黄色为S2,红色为S1,引线长150mm,引线截面积0.22m2
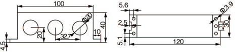
100A及以下专用电流互感器外形尺寸
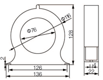
160A电流互感器外形尺寸
400A电流互感器外形尺寸
100A及以下漏电流互感器外形尺寸
160A、400A漏电流互感器外形尺寸
● 低压PT保护器
ALP200/220/320产品
ALP220PT产品
ALP300保护器
联系人:张欣
手机号: 18702111310