功能:
该系列低压电动机保护器,具有过载、断相、不平衡、欠载、接地/漏电、堵转等保护功能。可与接触器、电动机起动器等电器元件构成电动机控制保护单元,具有远程自动控制、现场直接控制、面板指示、信号报警、现场总线通信等功能。
应用范围:
可广泛应用于煤矿、石化、冶炼、电力、建筑等行业的配电领域。
订货范例:
具体型号:ARD3T K1 A25/C+60L
技术要求:电动机功率5.5KW;DI为无源节点,控制DO工作电压为220V;液晶显示。
通讯协议:双路RS485接口 Modbus/RTU协议
辅助电源:AC/DC220V
数字式电动机保护器
技术参数
技术指标
ARD2(L)
ARD2F
ARD3
辅助电源
电压
AC85V~265V/DC100V~350V
功耗
≤7VA
≤15VA
额定工作电压
AC380V/AC660V,50Hz/60Hz
额定工作电流
1A(0.1~9999)
5A(0.1~9999)
1.6A(0.4A~1.6A)
6.3A(1.6A~6.3A)
25A(6.3A~25A)
100A(25A~100A)
250A(63A~250A)
800A(250A~800A)
继电器输出触点容量
AC250V/ 3A;DC30V/ 3A
AC250V/ 6A
开关量输入
2路
9路
环境
工作温度:-10ºC~55ºC
贮存温度:-20ºC~65ºC
相对湿度:5﹪~95﹪不结露
海拔高度:≤ 2000m
污染等级
2
防护等级
IP20
主体IP20,显示单元IP45
安装类别
III级
模块式电动机保护器
ARD3T辅助电源
AC/DC 110 / 220V或AC 380V,功耗≤15VA
电机额定工作电压
AC 380V / 660V,50Hz / 60Hz
电动机额定工作电流
1.6(0.40A-2.00A)
使用测量模块测量
6.3(1.6A-6.3A)
25(6.3A-25A)
100(25A-100A)
250(63A-250A)
采用外置电流互感器 + 测量模块
800(250A-800A)
漏电
50mA-1A
采用测量模块 + 漏电流互感器
3A-30A
阻性负载
AC250V、6A;DC24V、6A
感性负载
AC250V、2A;DC24V、2A
主体开关量输入、输出
4DI、4DO,DI可以为干节点或湿节点
开关量模块
4DI、3DO,DI可以为干节点或湿节点
温度模块
外接传感器类型:PT100、PT1000、Cu50、PTC、NTC
传感器路数:3路
传感器对应测量范围:
PT100/PT1000:-50°C~+500°C
Cu50:-50°C~+150°C
PTC/NTC:100Ω~30kΩ
模拟量模块
可实现:2路4~20mA输入测量,2路4~20mA变送输出
4~20mA输入测量精度±0.5%
4~20mA输出最大带载能力为≤500Ω
主体通讯
RS485:Modbus-RTU
通讯模块
RS485:双Modbus-RTU、Profibus
工作温度
-10ºC~55ºC
贮存温度
-25ºC~65ºC
相对湿度
≤95﹪不结露,无腐蚀性气体
海拔
≤2000m
3级
主体IP20,分体显示模块IP45(安装在柜体上)
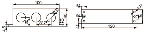
● ARD2(L)电动机保护器
◆ 主体模块
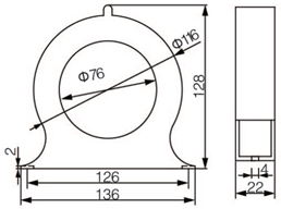
◆ 互感器
0.1A~100A互感器
63A~250A互感器
250A~800A互感器
100A以下漏电流互感器
100A以上漏电流互感器
c ARD2F、ARD3电动机保护器
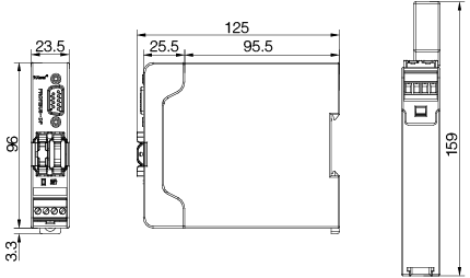
◆ 显示单元
◆ 抗晃电模块
◆ AC380V电源模块
● ARD3T电动机保护器
◆ 测量模块
电流测量模块
电流+电压测量模块
◆ 温度、模拟量、开关量模块
◆ 通讯模块
◆ 显示模块
◆ 外置电流互感器
◆ 漏电流互感器
●ARD系列智能电动机保护器
●ARD2F系列智能电动机保护器
●ARD3系列智能电动机保护器
●ARD3T系列智能电动机保护器
联系人:张欣
手机号: 18702111310