摘要:为了实现对电动机、机床主轴等旋转设备的电机转速检测及其性能优化,本文提出了基于霍尔传感器的电机转速调节系统,结合以MSP430单片机作为整个系统的主控制器,实现非接触测量和LED显示,并在电机超速时实现了系统报警的设计思路。通过将单片机与传感器技术有效结合起来,之后进行基于霍尔传感器的电机测速电路设计及调试,结果表明经过优化所设计的硬件电路部分及其软件程序是完全有效和可靠的,不仅满足了整体设计要求,而且实现了对待测电机转速的高精度、非接触式测量和性能监控。
关键词:霍尔传感器;电机转速;MSP430单片机;调速系统;非接触测量
0引言
实现对电动机、机床主轴、交通工具动力系统中等旋转设备的转速测定是保证电机系统安全运行、稳定性的重要保障,同时也是达到按照生产等要求控制电机转速首要条件。譬如在发电机、造纸机械、卷扬机等电机设备中可以实现对马达转速的调控,并且要连续时间内实施采集控制目标速度值以保证系统安全性;同时,还可以对目标检测并显示其转速。然而实现非接触和高精度的转速测定一直是传感器领域的重要研究内容。因此,本研究设计了基于霍尔传感器和以MSP430单片机为核心的电机转速测量数字式输出与调速系统,突出优点为抗干扰能力强、传输误码率低,实现了对旋转电机测速的非接触式、离线和高精度的系统开发和设计探讨。
1霍尔传感器
霍尔传感器A3144,该型号霍尔传感器通常适合于温度较大范围变动下的场合,其温度变化范围可达到-40℃~150℃的范围。该传感器主要包括检测部分及后端的信号调理部分,主要电路有信号放大电路、温度补偿电路以及具有输出波形调理的斯密特触发器,具有很强的抗干扰能力,此外,该霍尔传感器芯片还具有体积小,稳定程度高,具有很强的抗干扰能力(如图1)。

通过将体积微小的霍尔传感器安装放置在靠近电机转子附近,并把磁钢装在待检测转子上,当磁钢随转子一起转动时,霍尔传感器周边的磁场将随之发生周期性的变化,从而出现周期性的霍尔电压变化并进行测量。因此,当待测电机旋转驱动传感器运动,所产生的相应频率脉冲信号,该信号经过电路分析处理就会得到相应的脉冲,使脉冲输出到计数器或计数装置,用计数脉冲数反应出电机速度。
2硬件电路设计
基于MSP430单片机为控制核心的整体结构如下所示(图2)。该设计系统包括霍尔传感器转速测量部分、信号放大滤波电路、MSP430单片机系统、LED显示电路、报警电路、串口通讯电路、电机调速驱动电路和电源电路等。以上电路各部分协同实现来完成信号的采集、信号调理,以及信号单片机的输入和单片机输出等功能。
2.1硬件电路整体框图
本研究中,茄子视频在线下载采用了霍尔传感器MSP430进行电机转速测量设计,应用信号滤波电路实现了数据处理,测量信号用信号放大电路,之后供给单片机系统来实现数据采集,将采集的数据显示并串口发送。
当待测电机高速转动时,霍尔传感器将转速信号采集,转变为数字量脉冲信号输出,经过隔离后,在经过滤波和放大电路后送到MSP430单片机的数字量捕捉接口对转速信号采集,同时单片机通过温度传感器借助AD转换采集。单片机将转速信号和温度信号通过RS485串口发送至上位机。LED显示转速信息,而选用MSP430的PWM功能可实现对电机的调速。
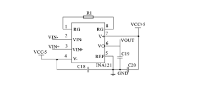
2.2放大电路实现
虽然采用的霍尔传感器的输出电压可以满足研究需要,但为了更适合于实际工作中霍尔传感器的输出电压,本研究再次设计了信号放大电路,实际中工作状态下,如果外部电压值有所增高,则可以通过调整和改变放大器的放大系数匹配单片机的输入要求,本研究选择的放大器芯片为INA121芯片。实验中设计的信号放大电路如图3所示,为了实现输出脉冲信号的稳定性以及电压的匹配,采用了RC滤波电路。

图3信号放大电路系统原理图
2.3 LED显示电路图
本研究设计的LED显示电路如图4所示。

3系统软件设计
系统软件设计主要包括两部分,即MSP430的下位机软件设计和上位机软件设计部分。其中,下位机软件设计完成对霍尔传感器采集电机转速的脉冲信号个数统计,将所记数字经过换算成标准转速值在LED上显示,之后将温度传感器反馈的温度信号经模数转换后输入到单片机,单片机经过串口通信RS485发送至上位机,,完成PID自动控制过程;上位机软件的设计主要是根据下位机的要求而设计的,主要完成对下位机温度数据、转速数据的采集、数据分析和图形显示等过程,并且也实现了数据的保存与打开功能,对电机转速的自动控制及超速报警的功能。在MATLAB GUI界面上完成设计,设计了GUI的串口属性。
3.1上位机与下位机调速系统
原理图如图5所示。

3.2下位机软件设计
整个系统在初始上电复位后,首先初始化设置,主要是定时器模式的初始化过程。系统初始化完成后系统进入循环状体,进行AD转换获取温度值并获取转速脉冲,计算出真实转速,送达LED显示并RS485输出,其基本流程如图6所示。

4测试结果
在PID控制中采集实测电机转速数据并绘制转速曲线,计算器超自动调整超调量与稳定时间,结果如图7和图8,曲线分别显示PID控制电机测试和转速的调控效果。其中,图7为调试过程当中的一组电机转速实际测试曲线,其中PID参数为:KP=1.9,Kd=1.5,Ki=1.5;类似的,图8为合适的PID参数控制下另一组电机转速测试曲线,其中PID参数分别为:KP=1.2,Kd=1.5,Ki=1。

上图中横坐标表示采样点,每个采样间隔为0.01s,纵坐标表示待测电机的实际转速。如图7所示,KP=1.9,控制目标范围中出现了大于50%的超调,经过系统多个采样点系统依然没有进入稳定状态,因此应该降低KP与K值。在图8中,当KP=1.2,控制目标的超调量≤15%,并且经过较少的采样点(21个)系统基本实现趋于稳定,所以该组参数是是一组合适的PID参数。经过验证,确定的PID调节器控制参数为:KP=1.2,Kd=1.5,Ki=1。可见,所设计的系统可以实现对电机转速的整体控制,同时系统具有上升时程小,静态误差小等特点,可满足控制要求。
5茄子视频在线下载霍尔传感器产品选型
5.1产品介绍
霍尔电流传感器主要适用于交流、直流、脉冲等复杂信号的隔离转换,通过霍尔效应原理使变换后的信号能够直接被AD、DSP、PLC、二次仪表等各种采集装置直接采集和接受,响应时间快,电流测量范围宽精度高,过载能力强,线性好,抗干扰能力强。适用于电流监控及电池应用、逆变电源及太阳能电源管理系统、直流屏及直流马达驱动、电镀、焊接应用、变频器,UPS伺服控制等系统电流信号采集和反馈控制。
5.2产品选型
5.2.1开口式开环霍尔电流传感器


5.2.2闭口式开环霍尔电流传感器

表2
5.2.3闭环霍尔电流传感器

表3
5.2.4直流漏电流传感器

表4
6结束语
本研究通过将传感器技术和单片机有效结合起来,进行电机测速系统设计和开发,克服了传统电机 测试和调速系统方法测量的不足,实现对电机转速 的高精度、非接触式测量和性能监控。本文所设计 的电机测速系统具有测量速度快、测量精度高、灵敏 度高的优点,对电动机、工厂机床主轴等旋转设备在 日常生产中的电机转速测量具有较高的理论和实际 应用价值。
在整个电机测量及其调速系统设计中,由于单 片机和传感器的有效应用,特别是微控制器的合理 应用,不仅使系统变得更加智能,同时让调速系统的 主电路部分也得到优化和性能提升,但整体系统所 用的功率元器件却不断精简;未来,电机测量调速系 统不断向频带宽,快速响应性能佳,静态误差范围 小,无超调和动态抗干扰能力强的方向发展和迈进。
【参考文献】
[1]韩超超,李云波.一种微型直流电机调速系统设计[J].自动化与仪器仪表,2016(07):31-32+35.
[2]张玲娜.基于霍尔传感器的电机调速系统设计及调试
[3]茄子视频在线下载企业微电网设计与应用手册2020.06版