1. 引言
随着经济改革的不断深入,节能降耗已经成为降低生产成本、提高产品质量的重要手段之一,而变频调速技术正是顺应了工业生产自动化发展的要求,开创了一个全新的智能电机时代。目前,该技术在电力、冶金、化工、造纸、食品、纺织等多种行业的电机传动设备中得到实际应用,已经成为现代电力传动技术的一个主要发展方向。用变频器控制电机实现调速,可节省10%以上的电能。
霍尔电流传感器由于其优异的特性,越来越多的变频器制造商选择它作为电量监控的元器件。
2. 工作原理
霍尔电流传感器是根据霍尔效应制作的一种磁场传感器。它有两种工作方式,即开环(直放式)和闭环(磁平衡式)。直放式霍尔传感器的优点是电路形式简单,成本相对较低;其缺点是精度、线性度较差,响应时间较慢,温度漂移较大。为了克服它的不足,出现了闭环(磁平衡式)霍尔电流传感器。
闭环式霍尔电流传感器又称零磁通式霍尔电流传感器,如图1所示,它是由原边电路、聚磁环、霍尔元件次级线圈、放大器等组成。当原边电流IP产生的磁通通过高品质磁芯集中在磁路中,霍尔元件固定在气隙中检测磁通,通过绕在磁芯上的多匝线圈输出反向的补偿电流,用于抵消原边IP产生的磁通,使得磁路中磁通始终保持为零。经过特殊电路的处理,传感器的输出端能够输出精确反映原边电流的电流变化。

图1
3. 产品介绍
3.1产品选型
闭环霍尔电流传感器具有响应时间短、工作频率高、过载能力强、高隔离度等众多优点。一般情况下,根据输入信号、外形、内孔尺寸来选择霍尔电流传感器。在传感器行业内,江苏茄子视频在线下载霍尔电流传感器严格按照JB/T 7490-2007《霍尔电流互感器行业标准》规定的各项要求,相对于同行采用插针式接线不同,一律采用绿色可插拔端子,现场接线方便、可靠。常见的品牌产品如表1。
表1
常见品牌 | 型号 | 精度 | 辅助电源 | 接线方式 |
江苏茄子视频在线下载 | AHBC系列 | 0.5级 | ±15V | 绿色插拔端子 |
瑞士LEM | LA系列 | 0.5级 | ±15V | 插针方式 |
3.2产品外形
型号:AHBC-LTA

实物图 尺寸图
3.3技术指标
4. 应用
4.1 传感器应用在变频调速回路

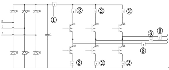
图2 变频调速回路 Y为霍尔电流传感器
图2中①用于检测母线的直流电流,当检测出主回路中出现异常脉冲,或有效值超出标准时,迅速切断逆变触发电路的触发脉冲,保护逆变和整流模块;
图2中②用于检测两桥臂的中的电流差,由于换相失败很容易使一相中上下两桥臂中的IBGT模块因过流而损坏,此时要求短路电流保护在短路检出后10us内切断门驱动电路,这种逆变器必须采用快速过电流保护装置,可以用霍尔电流传感器检测每个桥臂中的电流,若因换相失败造成上下桥臂同时导电,则相应的两个传感器同时检出电流信号,经与基准电压比较转换成方波后,通过门电路控制封锁所有的逆变触发脉冲,切断短路途径,保护昂贵的IBGT模块;
图2中③用于检测输出电流的波形,接入逆变器的输出回路中,用来检测随频率变化的交流电流,可以更好地控制触发脉冲,也可以提供用电设备的过载信号
4.2 使用注意事项
1、为了得到较好的动态特性和灵敏度,必须注意原边线圈和副边线圈的耦合,要耦合得好,最好用单根导线且导线完全填满霍尔传感器模块孔径;
2、使用中当大的直流电流流过传感器原边线圈,且次级电路没有接通电源|稳压器或副边开路,则其磁路被磁化,而产生剩磁,影响测量精度(故使用时要先接通电源和测量端M),发生这种情况时,要先进行退磁处理。其方法是次边电路不加电源,而在原边线圈中通过同样等级大小的交流电流并逐渐减小其值;
3、在大多数场合,霍尔传感器都具有很强的抗外磁场干扰能力,一般在距离模块5-10cm之间存在一个两倍于工作电流Ip的电流所产生的磁场干扰是可以忽略的,但当有更强的磁场干扰时,要采取适当的措施来解决。通常方法有:
① 调整模块方向,使外磁场对模块的影响最小;
② 在模块上加罩一个抗磁场的金属屏蔽罩;
③ 选用带双霍尔元件或多霍尔元件的模块;
④ 测量的最佳精度是在额定值下得到的,当被测电流远低于额定值时,要获得最佳精度,原边可使用多匝,即:IpNp=额定安匝数。另外,原边馈线温度不应超过80℃。
5. 结束语
霍尔电流传感器因其众多优点,通过对大电流进行精确的检测和控制,保证了变频器产品安全可靠的运行,使变频器在正常输出的同时,能对异常状况及时处理。提升了变频器的可靠性,提高了变频器的安全品质。所以霍尔电流传感器在变频器里的优势越来越明显,已成为变频器行业中不可缺少的一部分。
参考文献:
(1)茄子视频在线下载电气股份有限公司.电量传感器选型手册,201407版.
(2)谢文和.传感器及其应用[M].北京:高等教育出版社,2003.
作者简介:陆晓君,女,本科,茄子视频在线下载电气股份有限公司,主要研究方向为电量传感器设计,手机:18702111592,座机:021-59104850,QQ:2880157865